I complained for the duration of my entire postbac program about physics.
Why do premeds have to take a year of physics plus the associated labs? What possible relevance does shooting metal balls out of a rubber band launcher, and tracking how far they fly, have for medicine? Why is my professor such a disinterested teacher? Why do I have to sit through an hour of tutorial a week?
This morning, all my questions were answered. I, with the help of the electronic circuits unit from second semester physics, successfully performed surgery.
Am I a doctor? No. Am I in medical school? No. But I, surgical instruments in hand, spent my early Sunday morning removing a tumor from a patient – an unsightly but benign tumor that was causing significant distress to the patient’s family members.
I am of course talking about the buzzer on my dryer.
I have a great room in a centrally located, large rowhouse with four fantastic roommates. My one qualm about my living arrangement is that my room has no door (long story) and directly adjoins the closet that houses the washer/dryer. I generally find the white noise soothing, but for some reason the sadistic designer of our dryer decided to include a buzzer that sounds six – SIX! – times during the cycle. The buzzer is so loud you can hear it from down the street. And it lasts for five seconds every time it rings. That’s an eternity when you’re covering your ears in pain.
You can imagine how thrilled I am to spend time in my room when the dryer is running.
So finally, after weeks of tolerating this insanely loud noise, I took matters into my own hands. I grabbed a screwdriver, spent twenty minutes trying to figure out how to remove the front panels, and finally cut through to the inner workings of this satanic machine.
I was first confronted by an overwhelmingly large pile of lint. Apparently, there is a gap somewhere in the filter, because all the electronics were coated in dust. After breaking out the vacuum and getting rid of the worst of it, I stood staring at – in my expert opinion – a complete and total clusterf**k of wires.
There was a plastic box with wires running to itself, weird circuit boards with giant red X’s painted on them, wires leading to nowhere, and an unsettling number of moving parts for a machine that’s just supposed to dry your clothes. There were bundled wires running into the dark recesses of the wall and electronic devices I’d never seen before. Uh oh.
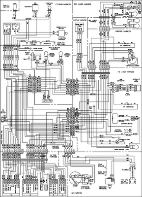
Taped on the inside corner was a solitary piece of paper with the small, 6-point title “WIRING DIAGRAM.” I looked down. The entire paper was covered with squiggles of resistors, switches, weird circles and spirals I’d never seen in class, and an annoyingly high number of unlabeled letters. One complicated circuit, for example, was just labeled, “X.” This is an example I found online that closely resembles what was in mine: 
Illuminating. Thanks, dryer manufacturer.
I needed reinforcements. I headed downstairs where the light was better and got a cup of coffee. Slowly – and relying on my exceedingly basic knowledge of circuits from Physics 201 – I pieced together the circuit, node by node, and eventually figured out how the buzzer was wired. I traced the wire I thought I needed to disconnect on the paper and headed back upstairs.
After opening the panel back up, I realized I hadn’t the slightest idea how to translate my paper diagram-deciphering skills into real life – then I realized the letters on the paper, like “C,” were replicated on the circuit boards! Hallelujah. From there, it was short work to disconnect the offending wire and close up.
I’m running the dryer now as a test. So far, nothing has exploded, burnt, or caught on fire. Most importantly….
That goddamn buzzing sound is gone.
This is clearly the highlight of my life. Nothing I have done so far – be it graduating college, completing a postbac, working as an EMT, or passing the MCAT – remotely approaches the importance or difficulty of successfully removing the dryer buzzer. Now, with the Manly Task Of The Day completed, I’m going to watch football and drink beer. And burp.
Utterly hilarious. And impressive too
Now featured in the Huffington Post every Tuesday! http://www.huffingtonpost.com/lisa-k-friedman/
Website | Tumblr | Twitter | Facebook | Buy My Books
BRAVO-job well done. love,grandma